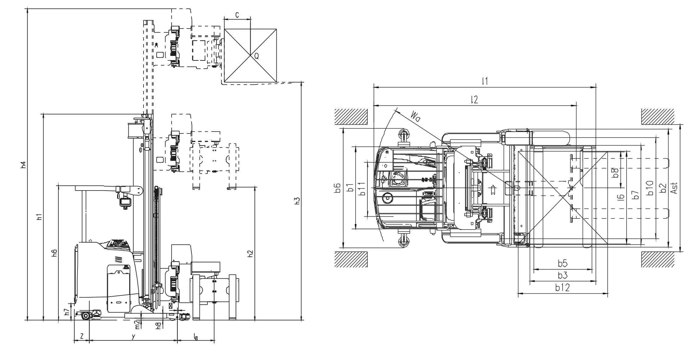
OPD15L