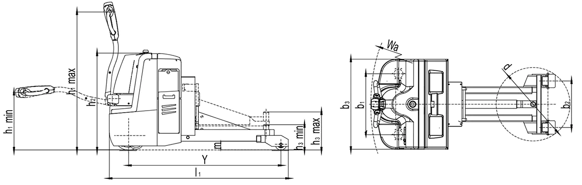
QDD25W