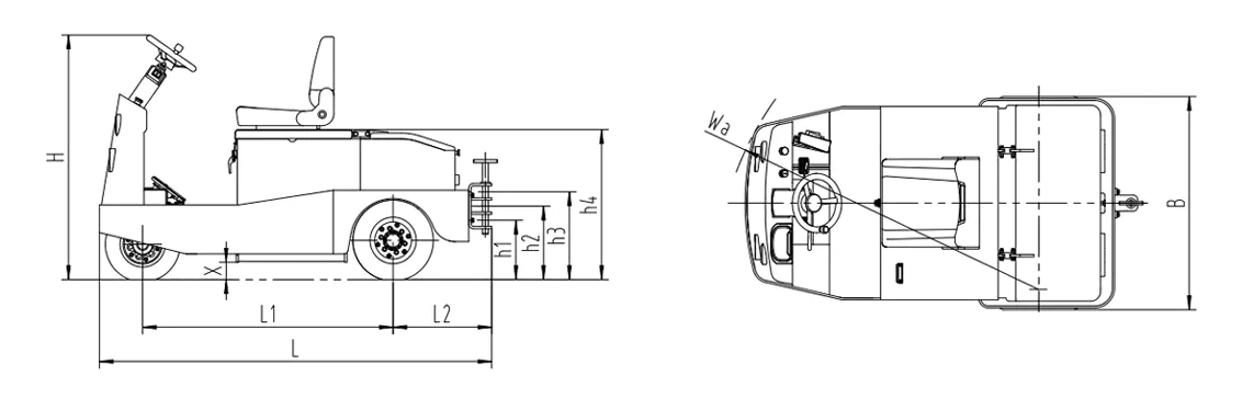
QDD20-30E