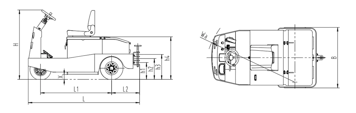
QDD20/30/50/60E