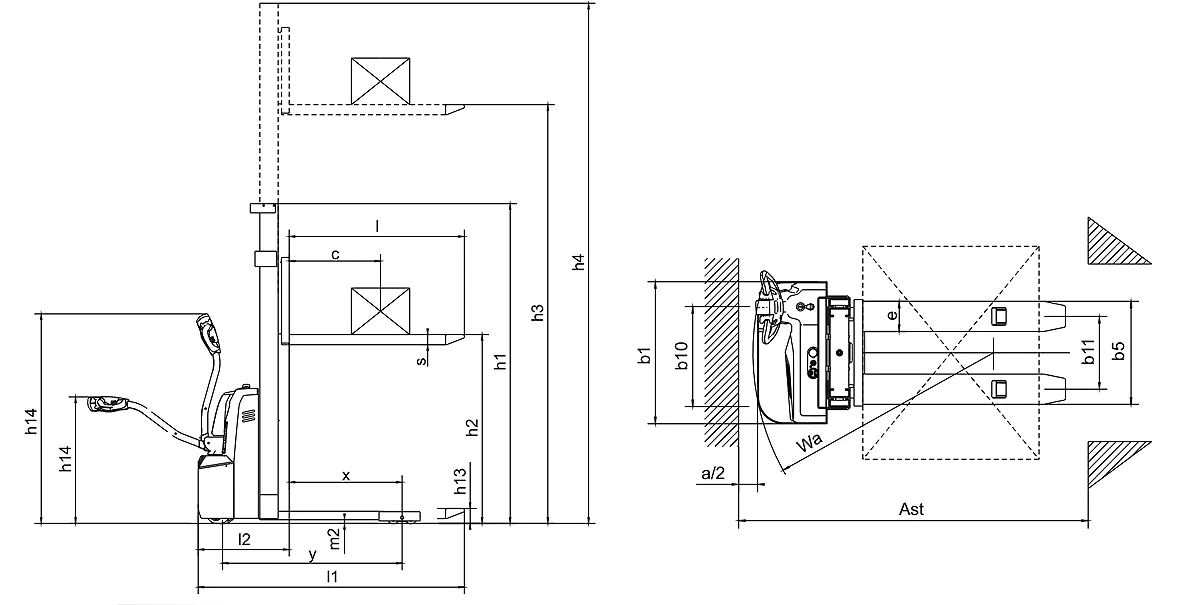
ctd10r-e