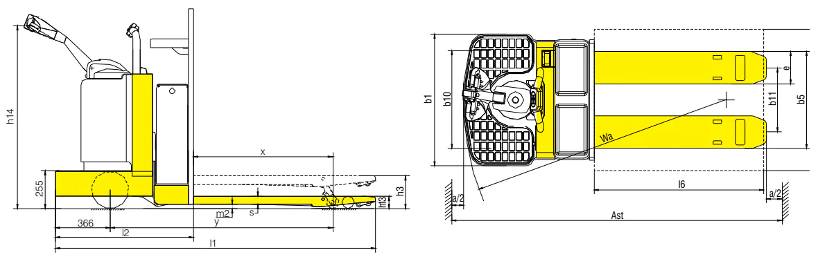
CBD25T