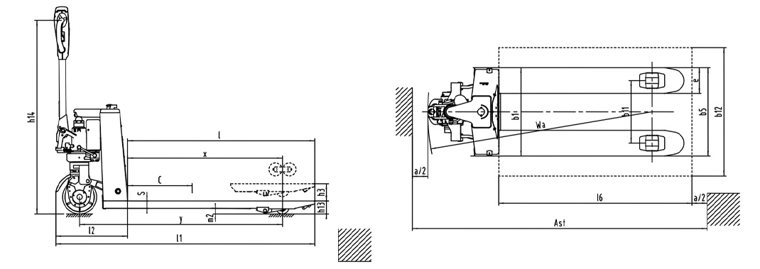
CBD15